Specifications
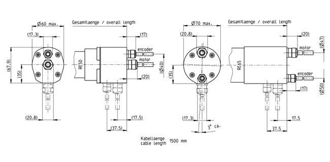
Information: Drawings are not to scale.
| General information |
| Counts per turn |
500 |
| Number of channels |
3 |
| Line Driver |
DS26LS31 |
| Max. mechanical speed |
12000 rpm |
| Shaft diameter |
-1 mm |
| Technical Data |
| Supply voltage Vcc |
5.0V ± 10.0% |
| Output signal |
EIA RS 422 |
| Driver used logic |
EIA RS 422 |
| Max. angular acceleration |
250000 rad / s² |
| Output current per channel |
-20...20 mA |
| Signal rise time |
180 ns |
| Measurement condition for signal rise time |
CL=25pF, RL=11kOhm, T=25°C |
| Signal fall time |
40 ns |
| Measurement condition for signal fall time |
CL=25pF, RL=11kOhm, T=25°C |
| Phase shift |
90 °e |
| Phase shift, inaccuracy |
45 °e |
| Index synchronized to AB |
Yes |
| Max. moment of inertia of code wheel |
0.6 gcm² |
| Operating temperature |
-40...+85 °C |
| Orientation of encoder output to motor flange |
-1 ° |
| Product |
| Weight |
0 g |
Description
High precision encoders, DC tachometers and resolvers with a high signal resolution are mounted exclusively on motors with through shafts for resonance reasons. The assembly requires adjustment to the motors and may only be done in the delivery plant.
Videos